48W 5409lm MALU 830 HD 1720mm

AL6BMALU3K325HD

Palaa tuotesarjaan AL

Elektro-Valon AL-sarja tarjoaa sirot ja tehokkaat LED-valaisimet pintaan, ripustettuna tai upotettuna.

Valaisimet muodostavat yhtenäisen valoviivan, joka sulautuu arkkitehtuuriin ja valaisee tilan tasaisesti ilman häikäisyä.

Saatavilla useita optisia ja ohjausvaihtoehtoja – DALI, SwitchDim ja sensoriohjaus.

AL-sarja sopii täydellisesti toimistoihin, käytäville ja julkisiin tiloihin, joissa muoto ja valo kulkevat käsi kädessä.

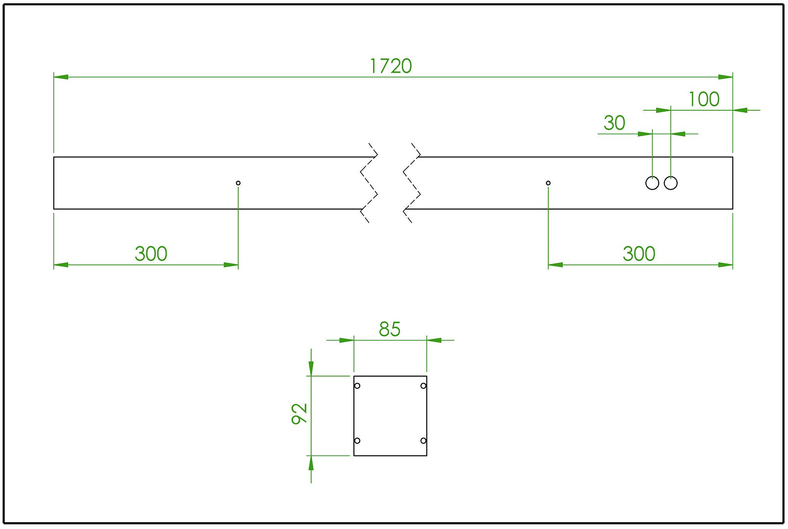
Mitat

Lataa tuotekortti

Halutessasi voit lisätä korkeintaan 3 riviä lisätietoa, joka tulee tuotekortin yläreunaan.

pim_1953_0_3493_AL-MALU_fullHD.jpg

Sähkötekniset tiedot

Valotekniset tiedot

Asennus

Ohjaus

Ympäristötiedot