11W 1390lm MLO 830 AA 860mm

AL3AMLO3K325AA

Palaa tuotesarjaan AL

Elektro-Valon AL-sarja tarjoaa sirot ja tehokkaat LED-valaisimet pintaan, ripustettuna tai upotettuna.

Valaisimet muodostavat yhtenäisen valoviivan, joka sulautuu arkkitehtuuriin ja valaisee tilan tasaisesti ilman häikäisyä.

Saatavilla useita optisia ja ohjausvaihtoehtoja – DALI, SwitchDim ja sensoriohjaus.

AL-sarja sopii täydellisesti toimistoihin, käytäville ja julkisiin tiloihin, joissa muoto ja valo kulkevat käsi kädessä.

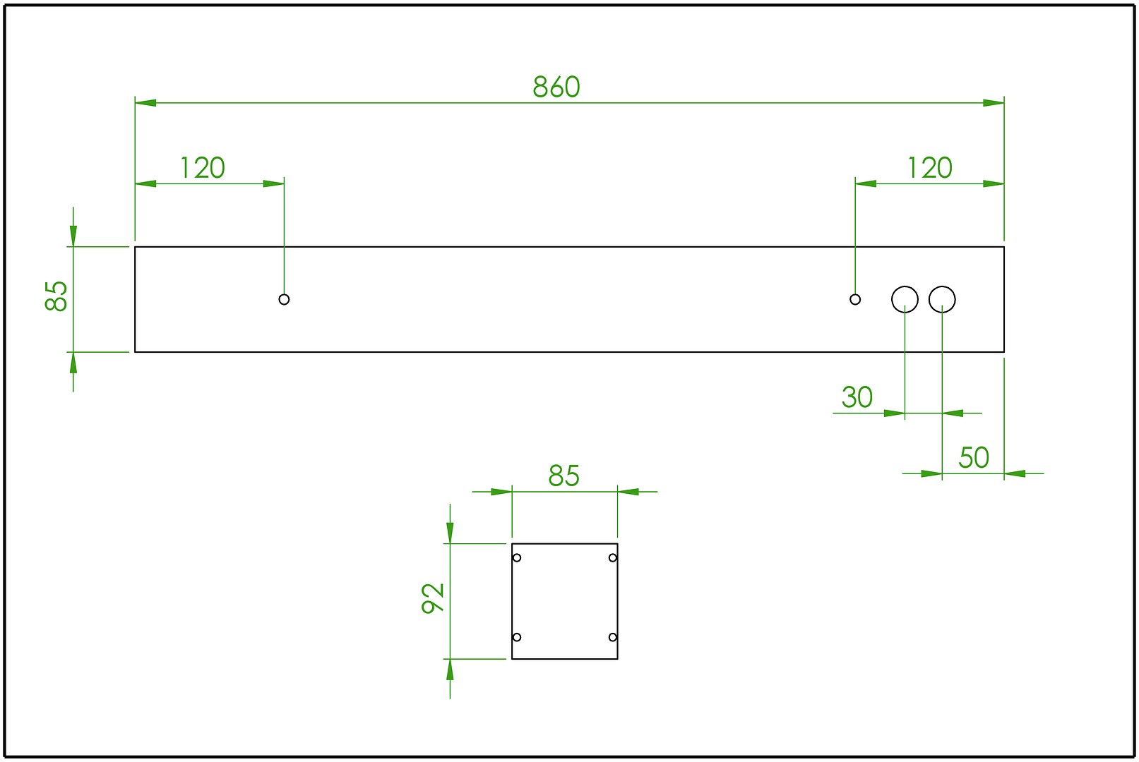
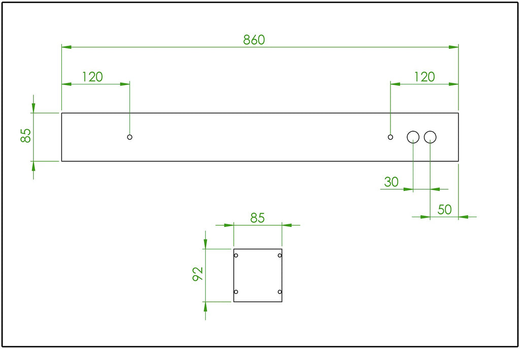
Mitat

Lataa tuotekortti

Halutessasi voit lisätä korkeintaan 3 riviä lisätietoa, joka tulee tuotekortin yläreunaan.

pim_3443_0_8159_AL MLO paakuva_fullHD.jpg

Sähkötekniset tiedot

Valotekniset tiedot

Asennus

Ohjaus

Ympäristötiedot