8520V 95W 14916lm 60 840 HF 1190mm

8520V8C4K60A325HF

Palaa tuotesarjaan 8500

Tukeva ja vahvarakenteinen, valaisin urheilutiloihin ja voimistelusaleihin. Erikoisvahvistettu teräsverkko estää palloja ja muita urheiluvälineitä rikkomasta valonlähdettä.

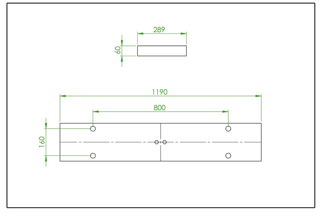
Mitat

Lataa tuotekortti

Halutessasi voit lisätä korkeintaan 3 riviä lisätietoa, joka tulee tuotekortin yläreunaan.

pim_2310_0_8132_8600-8500-lippu_fullHD.jpg

Sähkötekniset tiedot

Valotekniset tiedot

Asennus

Ohjaus

Ympäristötiedot