8620V 142W 21637lm 90A 840 HD 1190mm

8620V12C4K90A325HD

Palaa tuotesarjaan 8600

Tukeva ja vahvarakenteinen, valaisin urheilutiloihin ja voimistelusaleihin. Erikoisvahvistettu teräsverkko estää palloja ja muita urheiluvälineitä rikkomasta valonlähdettä.

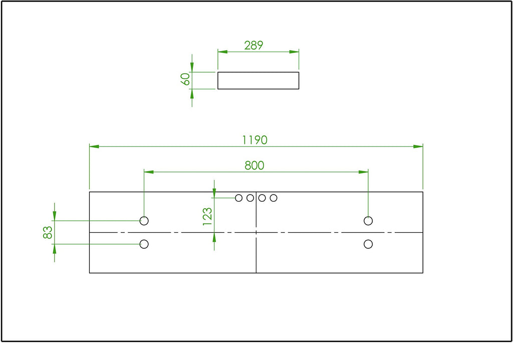
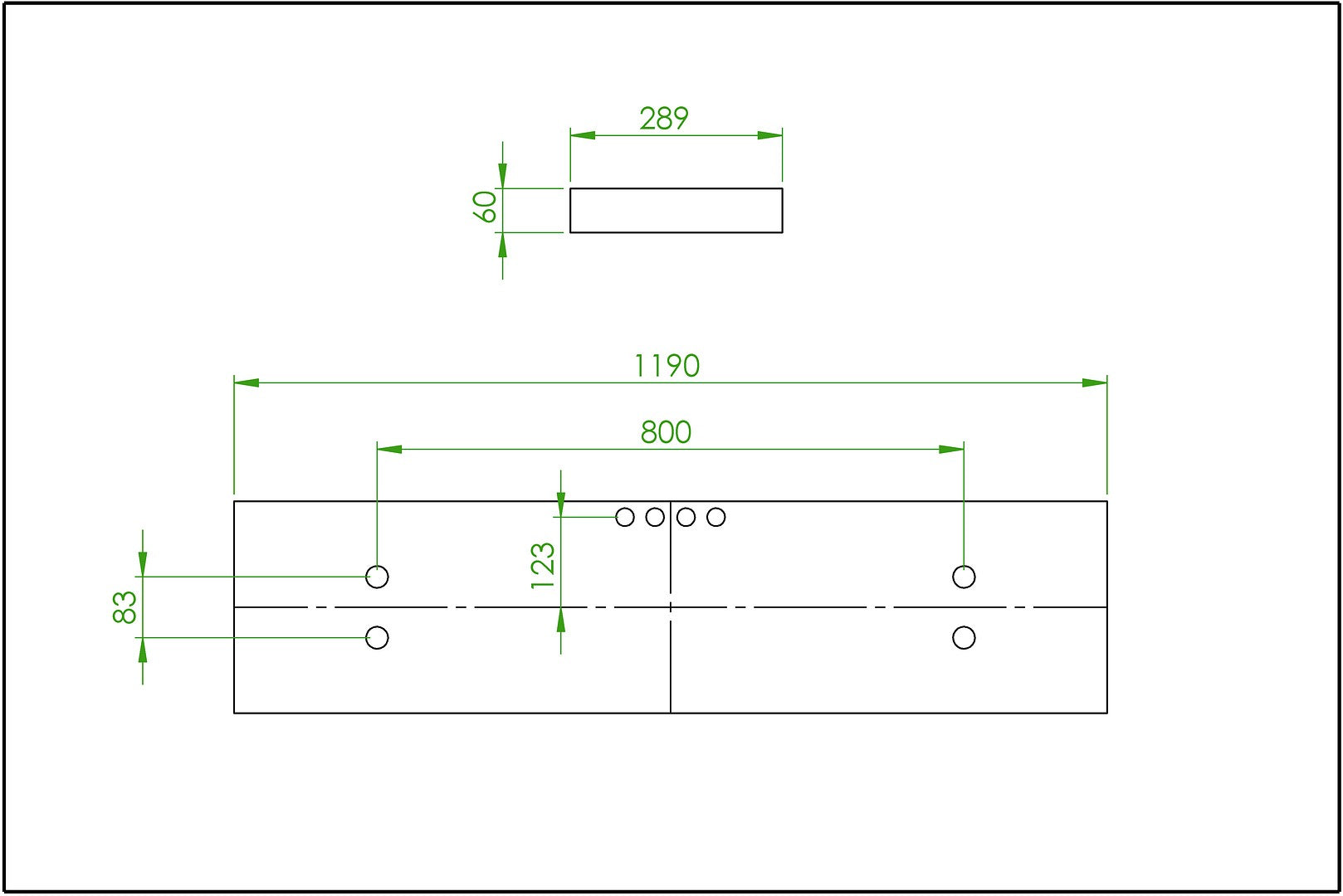
Mitat

Lataa tuotekortti

Halutessasi voit lisätä korkeintaan 3 riviä lisätietoa, joka tulee tuotekortin yläreunaan.

pim_2310_0_8132_8600-8500-lippu_fullHD.jpg

Sähkötekniset tiedot

Valotekniset tiedot

Asennus

Ohjaus

Ympäristötiedot